Beschrijving
De hygiëne tapwater buffervat combi / opslagtank voldoen aan de hoogste eisen van drinkwaterhygiëne en energie-efficiëntie. De opbouw van deze boilers is fundamenteel verschillend van conventionele, tapwaterboilers. Een ingebouwde RVS spiraalbuis scheidt het drink- van het verwarmingswater en fungeert gelijktijdig als krachtige warmtewisselaar.
Opmerking:
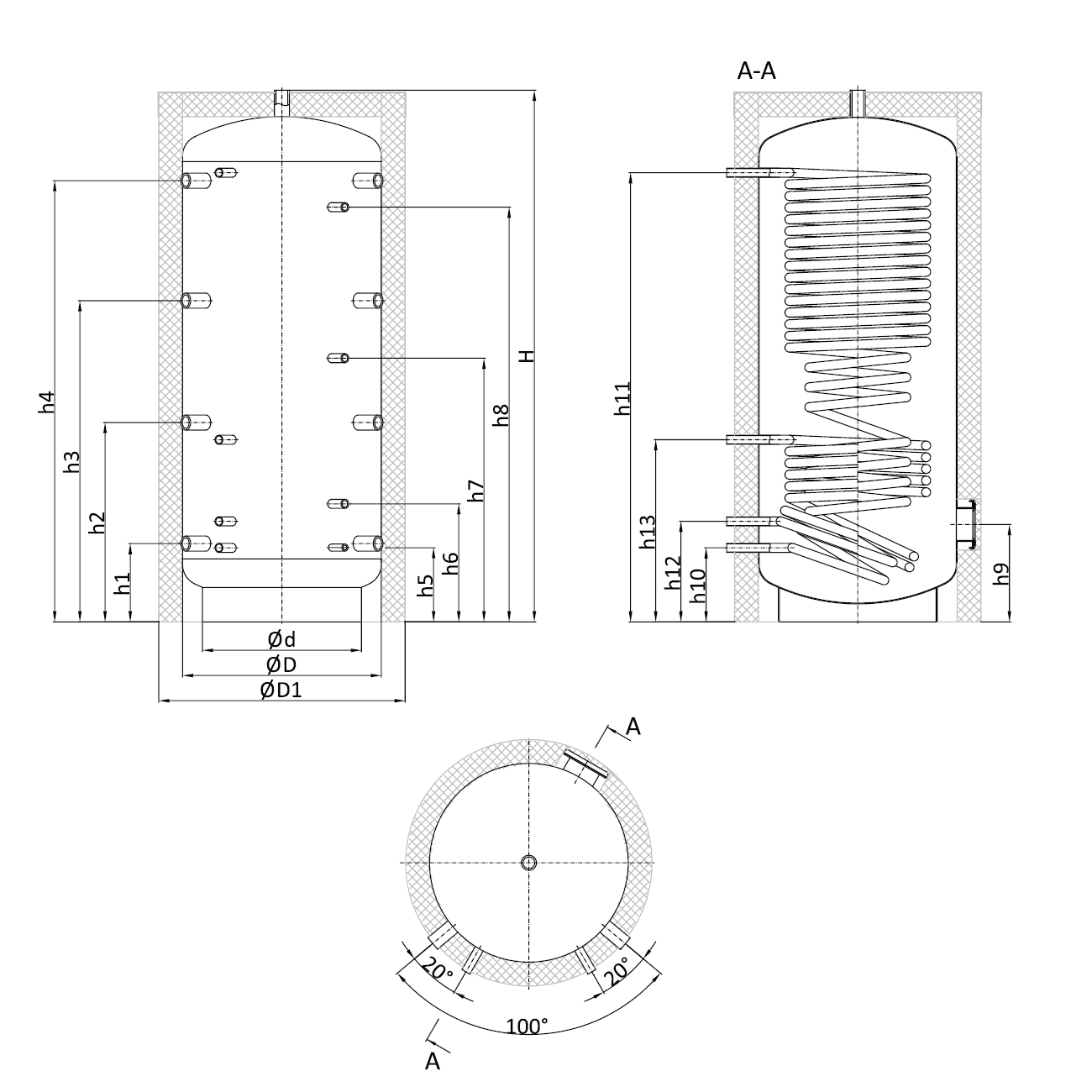
Hygiëneboilers van 1500liter zijn voorzien van 7 aansluitingen van 1’’. Dankzij de geoptimaliseerde constructie, zorgt dit voor een eenvoudige installatie. U kunt uw koppelingen hier direct op aansluiten, zonder dat u een extra verloop/koppeling nodig heeft. Hiermee bespaart u installatie, materiaal en tijd!
Standaard heeft deze hygiëneboiler ook 2x 1 ½’’ aansluiting voor één elektrisch verwarmingselement en 4 x ½’’ voor voelers/sensoren.
De flensverbinding is ideaal voor onderhoud (schoonmaken) van de hygiëneboiler. De flensverbinding met een diameter van 120mm voor het eventuele gebruik van een elektrisch verwarmingselement (Rp 1½”).







Beoordelingen
Er zijn nog geen beoordelingen.